Intelligenter Proportionalantrieb 20 Nm mit Not-Rückstellfunktion, elektrischer Stellantrieb 0-5 V, 0-10 V, 4-20 mA
20Nm intelligenter Proportionalantrieb mit ISO5211 F03, F04, F05 Anschlussflansch
-
TF02T Series Intelligent Proportional Actuator:
Merkmale:
1. Drehmoment: 20 Nm
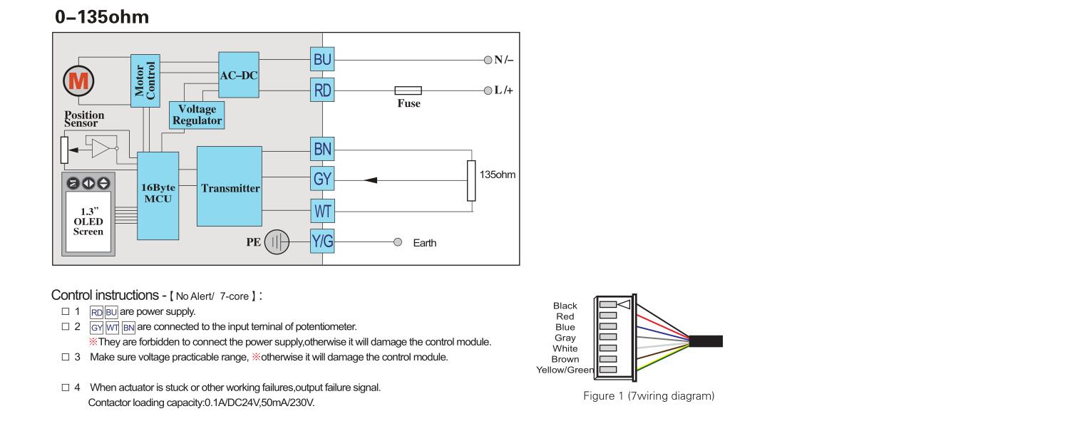
2. Stromversorgung: AC/DC 24 V, AC/DC 95-265 V
3. Steuersignal: 0-5 V, 0-10 V, 4-20 mA
4. Anschlussstandard: ISO 5211 F03, F04, F05
5. Spindel: 8 x 8 mm, 11 x 11 mm, 14 x 14 mm
Vorteile:
1. Hochleistungs-Bürstenlosmotor.
2. Überlastschutz des internen Motors.
3. 100 % Metallgetriebe im Inneren.
4. Schutzklasse IP 67.
5. Öffnungswinkel einstellbar (bis zu 360 Grad).













