Produktspezifikationen:
△ 1,3" OLED-Display, blickwinkelunabhängig, hell, energiesparend und umweltfreundlich. Zeigt den Ventilöffnungswinkel und den externen Steuerbefehl in Echtzeit an. Wechselt nach ca. 5 Minuten automatisch in den Schlafmodus, in dem dennoch der Positionsstatus und der Steuerbefehl angezeigt werden.
△ Origineller Ventileinstellmodus – Bedienung ohne Gehäusedemontage:Schritt 1: Speichern der "Gegen-Uhrzeigersinn-Fully-Open-Position" per Tastensteuerung;Schritt 2: Speichern der "Uhrzeigersinn-Fully-Close-Position" per Tastensteuerung. Dies erleichtert die Ventileinstellung erheblich und behebt die Komplexität und Unannehmlichkeiten der mechanischen Positionierung.
△ Einsatz von 16 Hochleistungs-Mikrocontrollern und 12 hochpräzisen AD-Wandlern sowie einem integrierten einzigartigen Algorithmus. Dies behebt mechanische Hysterese vollständig und reduziert den Ventilpositionsregelungsfehler erheblich.
△ ※ TCR-08/11 Gesamtreihe sowie andere DC24V-Serien: Integriertes Motorsteuergerät. Die Frequenzgeschwindigkeitsregelung des Motors ermöglicht eine präzise Positionierung.
△ Einsatz von berührungsloser Positionierung, modularem Steuergerätedesign und Vergussverarbeitung gewährleisten die Zuverlässigkeit der Komponenten und verlängern die Produktlebensdauer erheblich. Die Schnittstellen verwenden Standardverbinder und erleichtern Installation, Einstellung und Austausch.
△ Das Menü meldet Echtzeitfehler (z. B. Blockaden oder andere Gründe, die ein Öffnen/Schließen des Ventils verhindern) und gibt ein Fehlerwarnsignal aus.
△ Über das Menü kann der Ventilsteuerbefehl (ON/OFF) vertauscht werden.
△ Über das Menü kann zwischen Fernsteuerung und Lokalbetrieb gewechselt werden. Im Lokalbetrieb lässt sich die Ventilposition per Tasten anpassen. Endschalter sind integriert und deren Status wird angezeigt.
△ Über das Menü kann eine Schließpositionsabweichung in Öffnungs- oder Schließrichtung eingestellt werden. Dies behebt die Komplexität und Unannehmlichkeiten der einfachen mechanischen Ein- und Ausschaltpositionierung bei der lokalen Ventileinstellung.
△ Über das Menü können die Werkseinstellungen wiederhergestellt werden.
Standard-Produktdatenblatt:
Hochgeschwindigkeits-Typ:

Ausschalt-/Störfall-Typ:
Schaltplan:

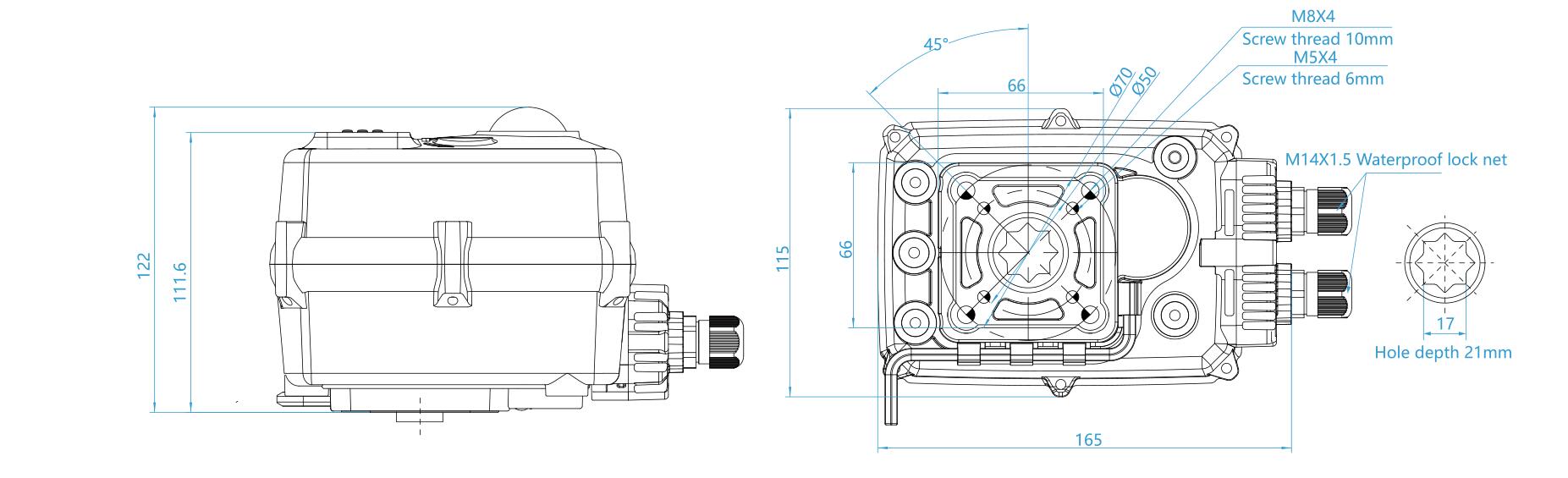
Abmessungen:



Fotos:



