15Nm 3-Way UPVC Electric Ball Valve T port/ L port Plastic Motorized Ball Valve
15Nm 3-Way Motorized Ball Valve True Union End with BSP, NPT or Glue End ISO5211 standard connections to Actuator
-
TFA150-P3 Series 3 Way UPVC Electric Valve:
Features:
1. Torque force: 15Nm
2. Power supply: DC12V,DC24V,AC24V,AC110V to 230V
3. Running time: 12 seconds
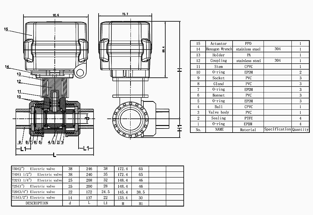
4. Size: 1/2'-2'(DN15-DN50); BORE SIZE: 14mm-38mm;
5. Material: UPVC
6. Connection: Thread(NPT,BSP, Glue End)
7. Temperature: (2~55℃);
8) Maximum pressure: 1.0Mpa
Advantages:
1. Electric drive, remote switching control, convenient for automation system.
2. Different wiring diagram to meet various control methods.
3. 100% Metal Gears inside.
4. Protection grade IP67.
5. Manual override & Positing indicator optional.
6. 100% ON/OFF testing before shipping.















